久久91女精一区禁18查看,51干逼精产区一区一三区在线,精品卡1卡2卡三入口,草莓茄子丝瓜鸭脖视频,萝莉岛w社w少w妇w视w频

八角墊的RX型墊片的詳細介紹

時間:04/01/2022 10:26:38

八角墊的RX型墊片的詳細介紹

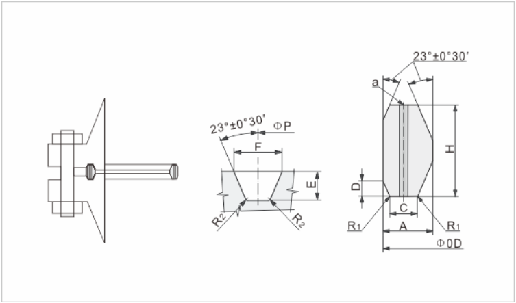
RX型RTJ環墊圈制造符合API 6A和ASME B16.20標準,適合API 6 B和ASME / ANSI B16.5法蘭。

RX型是一個壓力能量適應的標準R型墊圈。RX型的設計以適應同一個標準的R槽設計,使得接合互換。修改后的設計使用壓力能量影響,提高了系統內部壓力,增加密封的效率。

壓力:2000 - 5000 PSI

公差:(mm)

A *(環的寬度)+ 0.20,-0.000

h(環的高度)+ 0.20,-0.000

外徑(外徑)+ 0.5,-0.000

23 *(角)1/2°

*寬度公差為0.008英寸。

“A”和高度“H”是允許的,只要寬度或高度的變化在整個圓周上不超過0.004英寸。


手機號碼:13164910077
網址:http://m.canhuan.com
郵箱:sales@wzjwmf.com
地址:溫州經濟技術開發區濱海園區濱海十二路500號

獲取報價