久久91女精一区禁18查看,51干逼精产区一区一三区在线,精品卡1卡2卡三入口,草莓茄子丝瓜鸭脖视频,萝莉岛w社w少w妇w视w频

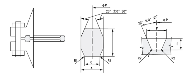
八角墊1

八角墊1

產品參數:

金屬環墊的適用公稱壓力為20MPA~420MPA,通常應用于高壓蒸氣,氣體,溶劑等裝置,如塔槽,高壓容器,高壓閥門等。最高使用壓力150MPA,溫度1000,對于八角型,R型,最高使用壓力:10000PSIRXBX型是15000PSI 金屬環墊最早來源于美國,在20世紀20年代最早使用于鍋爐領域,后來用于人孔蓋,高壓釜其它窗口的密封,以后在石油生產和煉油工業中格外受到重視。隨著蒸汽動力裝置的溫度和壓力增加,金屬環墊的用途就越來越廣泛。 一般為純鐵(軟鐵),低碳鋼,F5Cr5Mo,0Cr13,0Cr18Ni9,00Cr19Ni10等,其硬度應比法蘭材料低30~40HBS 1. 軟鐵成分: C0.05Si0.4,Mn0.60,P0.035,S0.04 2.F5成分:表示ASTM技術規范A182—72所要求的化學成分,4-6% Cr,0.5% Mo, G-307—1 八角型墊片 G-307—2 橢圓型墊片 G-307—3 RX型墊片 G-307—4 BX型墊片

墊片安裝在法蘭面的梯型環槽內,當擰緊連接螺栓時,受軸向壓縮與上下梯型槽帖緊,產生塑性變形,形成一環狀密封帶,建立初始密封。升壓后,在介質壓力的作用下,使環墊徑向擴張。墊片與梯形槽的斜面更加帖緊,產生自緊作用。但是,介質壓力的升高同樣會使法蘭和連接螺栓變形,造成成密封面間的相對分離,墊片密封比相對下降,因而,環墊可以認為是半自緊密封。

 

NPS in/DN

PN2.0

(Class150

PN5.0Class300

PN11.0Class600

PN15.0Class900

PN26.0Class1500

PN42.0Class2500

NPS in

DN

環號

環號

環號

環號

環號

12

15

-

R11

R12

R12

R13

34

20

-

R13

R14

R14

R16

1

25

R15

R16

R16

R16

R18

1 14

32

R17

R18

R18

R18

R21

1 12

40

R19

R20

R20

R20

R23

2

50

R22

R23

R24

R24

R26

2 12

65

R25

R26

R27

R27

R28

3

80

R29

R31

R31

R35

R32

4

100

R36

R37

R37

R39

R38

5

125

R40

R41

R41

R44

R42

6

150

R43

R45

R45

R46

R47

8

200

R48

R49

R49

R50

R51

10

250

R52

R53

R53

R54

R55

12

300

R56

R57

R57

R58

R60

14

350

R59

R61

R62

R63

-

16

400

R64

R65

R66

R67

-

18

450

R68

R69

R70

R71

-

20

500

R72

R73

R74

R75

-

22

550

-

R81

-

-

-

24

600

R76

R77

R78

R79

-

26

650

-

R93

R100

-

-

28

700

-

R94

R101

-

-

30

750

-

R95

R102

-

-

32

800

-

R96

R103

-

-

34

850

-

R97

R104

-

-

36

900

-

R98

R105

-

-

 


推薦搜索: 八角墊1優勢 八角墊1廠家 八角墊1品牌 八角墊1現貨 八角墊1生產廠家 八角墊1公差標準 八角墊1價格 八角墊1材質 八角墊1多少錢 八角墊1用途 八角墊1標準 八角墊1參數 八角墊1抗腐蝕性 八角墊1供應商
手機號碼:13164910077
網址:http://m.canhuan.com
郵箱:sales@wzjwmf.com
地址:溫州經濟技術開發區濱海園區濱海十二路500號

獲取報價